Brass Copper Fittings (INDIA) Home Email Sitemap
Home About Us Products Resources Email Contact Us Sitemap
Copper Turned Parts | Copper Fittings | Copper Pressed Parts | Copper Casting | Bronze Fittings | Copper Washers | Copper Bronze Grounding Parts | Bronze Casting | Copper Electrical Components | Brass Electrical Components | Brass Turned Parts | Brass Fasteners | Brass Casting | Copper Casting Alloys | Brass Wires Rods Alloys | Brass Hardware Fittings | Brass Sanitary Pipe Fittings | Brass Hose Fittings | Stainless Steel Fittings | Brass Moulding Inserts | Copper Lugs Terminals
Copper Turned Parts
Copper Fittings
Copper Pressed Parts
Copper Casting
Bronze Fittings
Copper Washers
Copper Bronze Grounding Parts
Bronze Casting
Copper Electrical Components
Brass Electrical Components
Brass Turned Parts
Brass Fasteners
Brass Casting
Copper Casting Alloys
Brass Wires Rods Alloys
Brass Hardware Fittings
Brass Sanitary Pipe fittings
Brass Hose Fittings
Stainless Steel Fittings
Brass Moulding Inserts
Copper Lugs Terminals
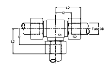
              Flareless Tube Union Tee
Flareless Tube Union Tee
Union Tee
SERIES TUBE OD. S1 S2 L2 I2 PART NO.
METRIC
SIZE TUBE
L 250 Kg/cm2 6 12 14 27 12 T6L
8 14 17 29 14 T8L
10 17 19 30 15 T10L
12 19 22 32 17 T12L
15 22 27 36 21 T15L
160 Kg/cm2 18 27 32 40 23.5 T18L
22 30 36 44 27.5 T22L
100 Kg/cm2 28 36 41 47 30.5 T28L
35 46 50 56 34.54 T35L
42 55 60 63 40 T42L
H 630 Kg/cm2 6 14 17 31 16 T6H
8 17 19 32 17 T8H
10 19 22 34 17.5 T10H
12 22 24 38 21.5 T12H
14 22 27 40 22 T14H
400 Kg/cm2 16 24 30 43 24.5 T16H
20 30 36 48 26.5 T20H
25 36 46 54 30 T25H
250 Kg/cm2 30 44 50 62 35.5 T30H
38 55 60 72 41 T38H
Flareless Tube Union Tee
Union Tee
SERIES TUBE OD. S1 S2 L2 I2 PART NO.
INCH SI ZE
OD TUBE
6000 PSI 1/4" 0.67 0.67 1.26 0.62 4T
3/8" 0.75 0.75 1.22 0.59 6T
1/2" 0.87 0.94 1.49 0.82 8T
3/4" 1.06 1.25 1.87 1.04 12T
1" 1.42 1.75 2.12 1.18 16T
3000 PSI 1 1/4" 1.73 1.97 2.44 1.38 20T
1 1/2" 2.16 2.36 2.83 1.61 24T
2000 PSI 2" 2.5 2.75 3.07 1.91 32T
NOM.
BORE TUBE
6000 PSI 1/4" 0.87 1.06 1.57 0.87 4TNB
3/8" 1.06 1.25 1.73 0.97 6TNB
1/2" 1.18 1.42 1.88 1.04 8TNB
3/4" 1.41 1.61 2.11 1.14 12TNB
3000 PSI 1" 1.81 2.05 2.48 1.5 16TNB
1 1/4" 2.16 2.36 3.07 1.93 20TNB

SERIES TUBE OD. S1 S2 L2 I2 PART NO.
INCH SI ZE
OD TUBE
6000 PSI 1/4" 0.67 0.67 1.26 0.62 4T
3/8" 0.75 0.75 1.22 0.59 6T
1/2" 0.87 0.94 1.49 0.82 8T
3/4" 1.06 1.25 1.87 1.04 12T
1" 1.42 1.75 2.12 1.18 16T
3000 PSI 1 1/4" 1.73 1.97 2.44 1.38 20T
1 1/2" 2.16 2.36 2.83 1.61 24T
2000 PSI 2" 2.5 2.75 3.07 1.91 32T
NOM.
BORE TUBE
6000 PSI 1/4" 0.87 1.06 1.57 0.87 4TNB
3/8" 1.06 1.25 1.73 0.97 6TNB
1/2" 1.18 1.42 1.88 1.04 8TNB
3/4" 1.41 1.61 2.11 1.14 12TNB
3000 PSI 1" 1.81 2.05 2.48 1.5 16TNB
1 1/4" 2.16 2.36 3.07 1.93 20TNB
2000 PSI 1 1/2" 2.5 2.75 3.14 2.05 24TNB

Tee Fittings, Threaded Fittings, Garden Hose Fittings, Flare Fittings, Hydraulic Fittings, High Pressure Fittings, Bulkhead Fittings, Compression Fittings, Stainless Fittings, Bsp Fittings, Jic Fittings, Npt Fittings, Fittings, Plastic Fittings, Plumbing Fittings, Pipe Fittings, Compression Tube Fittings, Push To Connect Tube Fittings, Metric Tube Fittings, Tube Fittings Related words : Tee Fittings, Threaded Fittings, Garden Hose Fittings, Flare Fittings, Hydraulic Fittings, High Pressure Fittings, Bulkhead Fittings, Compression Fittings, Stainless Fittings, Bsp Fittings, Jic Fittings, Npt Fittings, Fittings, Plastic Fittings, Plumbing Fittings, Pipe Fittings, Compression Tube Fittings, Push To Connect Tube Fittings, Metric Tube Fittings, Tube Fittings
Please contact us for all your needs of

Flareless Tube Union Tee

at best prices from india. We are the biggest indian manufacturers exporters of

Flareless Tube Union Tee


Flareless Tube Male Tee Taper Flareless Tube Male Tee Taper                          Flareless Tube Male Female Reducing Adapter Flareless Tube Male Female Reducing Adapter
  
Home | About Us | Products | Resources | Email | Contact Us | Sitemap
                   +